:: ECONOMY :: РОЗРОБКА ГІБРИДНОЇ АВТОНОМНОЇ ЕНЕРГОУСТАНОВКИ МАЛОЇ ПОТУЖНОСТІ :: ECONOMY :: РОЗРОБКА ГІБРИДНОЇ АВТОНОМНОЇ ЕНЕРГОУСТАНОВКИ МАЛОЇ ПОТУЖНОСТІ
:: ECONOMY :: РОЗРОБКА ГІБРИДНОЇ АВТОНОМНОЇ ЕНЕРГОУСТАНОВКИ МАЛОЇ ПОТУЖНОСТІ
 
UA  PL  EN
         

Світ наукових досліджень. Випуск 52

Термін подання матеріалів

19 травня 2026

До початку конференції залишилось днів 21



  Головна
Нові вимоги до публікацій результатів кандидатських та докторських дисертацій
Редакційна колегія. ГО «Наукова спільнота»
Договір про співробітництво з Wyzsza Szkola Zarzadzania i Administracji w Opolu
Календар конференцій
Архів
  Наукові конференції
 
 Лінки
 Форум
Наукові конференції
Наукова спільнота - інтернет конференції
Світ наукових досліджень www.economy-confer.com.ua

 Голосування 
З яких джерел Ви дізнались про нашу конференцію:

соціальні мережі;
інформування електронною поштою;
пошукові інтернет-системи (Google, Yahoo, Meta, Yandex);
інтернет-каталоги конференцій (science-community.org, konferencii.ru, vsenauki.ru, інші);
наукові підрозділи ВУЗів;
порекомендували знайомі.
з СМС повідомлення на мобільний телефон.


Результати голосувань Докладніше

 Наша кнопка
www.economy-confer.com.ua - Економічні наукові інтернет-конференції

 Лічильники
Українська рейтингова система

РОЗРОБКА ГІБРИДНОЇ АВТОНОМНОЇ ЕНЕРГОУСТАНОВКИ МАЛОЇ ПОТУЖНОСТІ

 
19.03.2026 10:56
Автор: Агаркова Світлана Анатоліївна, старший викладач, Національний аерокосмічний університет «Харківський авіаційний інститут»; Бояркін Андрій Олександрович, старший викладач, Національний аерокосмічний університет «Харківський авіаційний інститут»; Вязовик Костянтин Леонідович, старший викладач, Національний аерокосмічний університет «Харківський авіаційний інститут»
[26. Технічні науки;]

ORCID: 0009-0002-4981-1296 Агаркова С.А.

ORCID: 0000-0003-3210-1482 Бояркін А.О.

ORCID: 0009-0007-5766-7147 Вязовик К.Л.

В умовах зростаючої потреби в екологічно чистих, автономних та резервних на випадок відключень світла джерелах енергії гібридні автономні енергоустановки стають все більш актуальними. Вони дозволяють забезпечити стабільне електропостачання у віддалених районах, де підключення до централізованих електричних мереж ускладнене або економічно невигідне. Також такі установки забезпечують енергопостачання при відсутності енергії у централізованій електричній мережі.

У цій роботі розглядається розробка гібридної автономної енергоустановки потужністю до 1,5 кВт, що включає вітрогенератор, сонячну батарею та акумуляторні батареї. Така малопотужна установка доступна з фінансової точки зору, покриває базовий мінімум по енергозабезпеченню та може бути швидко встановлена на об’єкті. Також такий гібридний комплекс здатний ефективно використовувати відновлювані джерела енергії, забезпечуючи надійне електропостачання з мінімальним негативним впливом на довкілля. 

Гібридні системи поєднують у собі переваги кількох джерел енергії, компенсуючи недоліки кожного із них. Сонячні батареї найефективніші у ясні сонячні дні, але не виробляють електроенергію вночі та мають знижену ефективність у зимовий період. Вітрогенератор може виробляти електроенергію вночі та в хмарну погоду, коли сонячна інсоляція мінімальна, але при роботі може створювати шум. Акумулятори забезпечують накопичення енергії, що дозволяє згладити коливання видобутку електроенергії та забезпечити живленням об’єкт у періоди відсутності вітру та сонця. Загальний на два джерела видобутку енергії інвертор забезпечує перетворення сумарної потужності постійного струму від гібридної шини у стабілізовану напругу змінного струму для безперебійного енергозабезпечення пристроїв об’єкта.

Завдяки комплексному використанню вітрової та сонячної енергій у даній гібридній установці досягається стабільність вихідної потужності, що дозволяє зменшити розрахункову ємність блоку акумуляторів у порівнянні з окремими вітроенергетичними або сонячними системами при збереженні заданого рівня автономності.

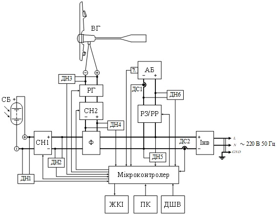
Структурна схема гібридної автономної енергоустановки (рис. 1) складається: ВГ – вітрогенератор; СБ – сонячна батарея; СН1 − вхідний стабілізатор напруги сонячної батареї; СН2 – вхідний випрямляч–стабілізатор напруги вітрогенератора; АБ − акумуляторна батарея; РЗ/РР − регулятор заряду-розряду акумуляторної батареї; Інв − вихідний інвертор; ДН1 – датчик напруги сонячної батареї; ДН2 – датчик напруги на виході СН1; ДН3 – датчик напруги вітрогенератора; ДН4 – датчик напруги на виході СН2; ДН5 – датчик напруги на вході інвертора; ДН6 – датчик напруги акумулятора; ДС1 – датчик струму акумулятора; ДС2 – датчик струму інвертора; РГ – регулятор гальма; Ф – фільтр; РКІ − рідкокристалічний індикатор; ДШВ − датчик швидкості вітру; ПК – пульт керування.




Рис. 1 – Структурна схема гібридної автономної енергоустановки

Вибір вітрогенератора залежить від середньорічної швидкості вітру у регіоні експлуатації. Горизонтальні вітрогенератори мають більш високу ефективність, проте вертикальні моделі можуть бути кращими в умовах мінливого напрямку вітру. Для даної енергоустановки використовується вітрогенератор потужністю 1 кВт. Ефективність сонячної батареї залежить від конструкції, умов експлуатації та пори року. Сумарна потужність сонячної батареї та вітрогенератора повинна покривати потреби навантаження та забезпечувати заряд акумуляторів, тому потужність сонячної батареї також становить 1 кВт. Надлишкова встановлена потужність ВГ та СБ обґрунтована необхідністю одночасного живлення запланованого навантаження (1.5 кВт) та заряду акумуляторної батареї. Ємність акумуляторної батареї розраховується, виходячи з тривалості автономної роботи на період до 12 годин.

Особливість енергоустановки полягає в тому, що в режимі заряду акумулятора у неї два джерела енергії та два споживачі, а в режимі розряду – три джерела та один споживач. Контролер потужності реалізований на мікроконтролері ATmega, забезпечує пошук точки максимальної потужності для кожного джерела, максимальну потужність та узгоджений режим роботи джерел енергії, контроль заряду та розряду акумуляторів. Керуючі ШІМ-сигнали синхронізовані, що знижує перешкоди, зменшує значення пікових струмів і напруг, підвищує надійність і ККД.

Таким чином, розроблена на базі ВГ та СБ гібридна енергоустановка з вихідною потужністю 1,5 кВт дозволяє нівелювати стохастичний характер відновлюваних джерел енергії, зменшити розрахункову ємність акумуляторів порівняно з моно-системами такої самої потужності, забезпечити стабільне керування за рахунок використання мікроконтролера ATmega, знизити економічні витрати на блоки акумуляторів та вихідний інвертор, утворити безперебійне, автоматичне та якісне по напрузі та частоті живлення пристроїв об’єкту в умовах часткової або повної автономії.

Список літератури:

1. Сивенко, М. М., Мірошник, О. О., Середа, А. І. (2021) Розрахунок оптимальних параметрів накопичувачів та відновлювальних джерел енергії в ізольованих енергосистемах, Вісник Національного технічного університету «ХПІ». Серія: Енергетика, надійність та енергоефективність, 1(2), с. 91-95

2. Дудюк, Д. Л., Мазепа С. С., Гнатишин, Я. М. Нетрадиційна енергетика: основи теорії та задачі: навч. посіб. Львів: «Магнолія 2006», 2009, 188 с.

3. Програмування мікроконтролерів AVR : [навчальний посібник] / С. М. Цирульник, О. Д. Азаров, Л. В. Крупельницький, Т. І. Трояновська. – Вінниця : ВНТУ, 2018. – 111 с.



Creative Commons Attribution Ця робота ліцензується відповідно до Creative Commons Attribution 4.0 International License

допомогаЗнайшли помилку? Виділіть помилковий текст мишкою і натисніть Ctrl + Enter


 Інші наукові праці даної секції
MODERN METHODS OF WEAK BASEMENTS’ STRENGTHENING
18.03.2026 13:50
ВІБРАЦІЙНА МАШИНА ДЛЯ УЩІЛЬНЕННЯ МАТЕРІАЛІВ
17.03.2026 14:06
METHODOLOGY FOR INVESTIGATING FORCED VIBRATIONS OF MASSIVE STRUCTURAL ELEMENTS USING THE BOUNDARY INTEGRAL EQUATION METHOD
10.03.2026 14:08
NUMERICAL MODELLING OF THE BEHAVIOUR OF OSSIMETRIC STRUCTURAL ELEMENTS UNDER CREEP AND FAILURE
03.03.2026 11:12




© 2010-2026 Всі права застережені При використанні матеріалів сайту посилання на www.economy-confer.com.ua обов’язкове!
Час: 0.200 сек. / Mysql: 2039 (0.162 сек.)